GA-Spice Example: RF Matching Network
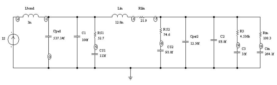
Circuit Topology Description
- C1 and C2 are tuning capacitors
- Lbond models bond wire capacitance
- Cpad models parallel combination of pad and metal trace capacitance
- Lin is an IC inductor
- RS1, CS1, RS2, CS2, and Rin model parasitics of IC inductor
- Cpar2 models metal trace capacitance
- R3 and C3 are the input impedance of a biasing circuit
- Rin and Cin model the input impedance of a MOSFET.
Problem Description
- Determine the values of C1 and C2 to achieve an input impedance of 50 + j 0 ohms at 2.45 GHz.
- C1& C2 encoded as problem variables using 10 bits each.
- Solve time approximately 15 minutes on a 200 MHz Pentium II notebook computer.
Results
- Zin = 50.75 - j 3.5 Ohms at 2.45 GHz
- C1 = 306 pf
- C2 = 20 pf
If you would like more details on this problem or further information on the GA-Spice program please contact Dr. Ross.
Home
Last updated March 10, 2020.